您好,欢迎访问畅享科技!

免费咨询热线
185-8849-8922按摩仪索环产品最大外形尺寸为57.50 mm x 54.10 mm x 25.10 mm,塑件平均胶位厚度2.70mm,塑件材料为PVC,缩水率为1.015,塑件技术要求为不得存在披峰、注塑不满、流纹、气孔、翘曲变形、银纹、冷料、喷射纹、气泡等各种缺陷,塑件成型中不得使用脱模剂。

图1 按摩仪索环产品图
从图1可以看出,塑件主体造型近似牛角,中间带一圆弧形通孔,大端孔径ø6.50mm,牛角造型边缘是一个带孔的薄片。塑件中心的圆弧通孔,在水平面内其圆弧半径为R106,模具设计的难点在于此圆弧通孔的脱模。
PVC曾是世界上产量最大的通用塑料,应用非常广泛。在建筑材料、工业制品、日用品、地板革、地板砖、人造革、管材、电线电缆、包装膜、瓶、发泡材料、密封材料、纤维等方面均有广泛应用。PVC树脂是一个极性非结晶性高聚物,密度:1.380 g/cm3,玻璃转变温度:87℃,因此热稳定性差,不易加工。不能直接使用,必须经过改性混配,添加相关助剂和填充物才可以使用。而因添加的相关助剂和填充物的种类和分数的不同,这就决定了所制备的PVC材料性能和要求是不一样的。我们通常称之为PVC配方,严格说来是PVC改性配方,而PVC只有经过改性才能使用。改性方法主要是化学改性、填充改性、增强改性、共混改性以及纳米复合改性。改性基本原理就是通过添加物赋予材料功能或者提高某些性能。
PVC在加工时熔化温度是一个非常重要的工艺参数,如果此参数不当将导致材料分解的问题。 PVC的流动特性相当差,其工艺范围很窄。
产品设计和模具设计上应注意以下几点:
1. 产品尽量不要有尖角或突变,厚度力求变化不大,以防止出现PVC降解变质。
2. 模具应有足够的拔模斜度。
3. 模具的流道设计应尽可能采用浇口平衡。
4. 模具温度应有冷却水控制装置,使模温能在30℃~60℃之间可控。
5. 模具应表面光洁、镀铬防腐蚀。或采用不锈钢制造。
PVC材料有硬质和软质两种,硬质PVC多用于下水管路、结构零件和建材等行业,软质PVC多用于日用品、小家电和医疗等领域。所有的软质PVC并不是同样的硬度。软质PVC的硬度一般用邵氏硬度表示,数值越大,表示越硬。
按摩仪索环产品采用硬质PVC成型,其内部的圆弧通孔需要旋转模芯才能脱模。确定模具设计方案时,首先需要确定开模方向。模具的分型面较为简单,是一个平面。经过分析,塑件尺寸较小,将塑件放倒至水平位置,在水平面内旋转内芯较为方便。在水平面内旋转,还是选择在竖直面旋转,要视塑件的尺寸和结构而定。淋浴头的花洒手柄结构较复杂,多采用在竖直面内旋转。

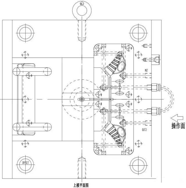
图2 按摩仪索环模具图
根据塑件的尺寸和结构,塑件排位1出2较为方便。在模具中间部位,设计了4穴椭圆形小塑件,组成家族式模具。熔融塑料进入分型面后,通过潜伏式浇口注塑。
圆弧通孔的内芯通过滑块圆弧抽芯来实现脱模。镶件7通过圆弧内孔为滑块芯6导向。滑块芯6固定在滑块座8上,滑块座8沿着圆弧轨道滑动,带动滑块芯6实现抽芯脱模。开模时,斜导柱10带动大滑块座14移动。滑块座8依靠镶件13(连杆)带动。限位螺钉12拧紧后,要确保镶件13(连杆)能够自由转动。开模后,塑件由手工取出,因结构原因,塑件外形不允许设计顶针。模具设计图见图2.
该套模具思路新颖,结构设计巧妙,将复杂的圆弧抽芯问题简化为简单的滑块抽芯,有效地解决了生产难题,投产以来的生产实践表明,模具结构设计可靠,生产稳定,值得推广。

Copyright © 2002-2023 深圳市畅享科技有限公司 版权所有 粤ICP备18100137号-1 XML地图